止回閥

H41H不銹鋼升降式止回閥
產品簡介
News Center
新聞中心產品型號:H41H、H41W、H41N
公稱通徑:DN15-DN300
公稱壓力:1.6MPa-6.4MPa
適用介質:水、油品、蒸汽等
適用溫度:-20℃-425℃
閥體材質:鑄鋼、不銹鋼等
設計及制造標準 | GB/T12235 |
法蘭連接尺寸標準 | JB/T74-94、GB/T9113 |
結構長度標準 | GB/T12221-2005 |
型號 | H41H-16C~100 | H41Y-16C~100 | H41W-16P~100 | |
工作壓力(MPa) | 1.6~10.0 | |||
適用溫度(℃) | ≤425 | ≤150 | ||
適用介質 | 水、蒸汽、油品 | 弱腐蝕性介質 | ||
材料 | 閥體、閥蓋 | 碳鋼 | 鉻鎳鈦不銹鋼 | |
密封面 | 堆焊鉻不銹鋼 | 堆焊硬質合金 | 鉻鎳鈦不銹鋼 | |
墊片 | 鋼帶石墨參纏繞 | 聚四氟乙烯 | ||

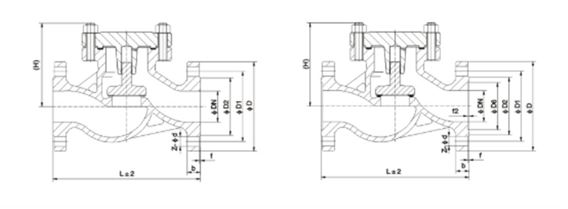
DN | L | D | D1 | D2 | b | H |
15 | 130 | 95 | 65 | 45 | 14 | 77 |
20 | 150 | 105 | 75 | 55 | 14 | 77 |
25 | 160 | 115 | 85 | 65 | 14 | 80 |
32 | 180 | 135 | 100 | 78 | 16 | 85 |
40 | 200 | 145 | 110 | 85 | 16 | 95 |
50 | 230 | 160 | 125 | 100 | 16 | 105 |
65 | 290 | 180 | 145 | 120 | 18 | 120 |
80 | 310 | 195 | 160 | 135 | 20 | 130 |
100 | 350 | 215 | 180 | 155 | 20 | 140 |
125 | 400 | 245 | 210 | 185 | 22 | 155 |
150 | 480 | 280 | 240 | 210 | 24 | 180 |
200 | 600 | 335 | 295 | 265 | 26 | 215 |
250 | 730 | 405 | 355 | 320 | 30 | 260 |
300 | 850 | 460 | 410 | 375 | 34 | 315 |
在線留言