電動球閥

電動高溫法蘭球閥QJ941M-25C
產品簡介
News Center
新聞中心產品特點:
在一些使用場合內,電動高溫球閥可替代傳統(tǒng)的蒸汽閘閥、蒸汽截止閥和快速排污閥。電動高溫球閥的密封座采用了強度較高的碳結石墨,具備耐高溫、耐磨損、耐流體腐蝕、回彈性好以及良好的潤滑性能。其適用介質包括水蒸汽、各類油品、導熱油、酸性物質等。
QJ941M-25C電動高溫法蘭球閥主要零件材料:

QJ941M-25C電動高溫法蘭球閥主要性能參數:

QJ941M-25C電動高溫法蘭球閥執(zhí)行標準:

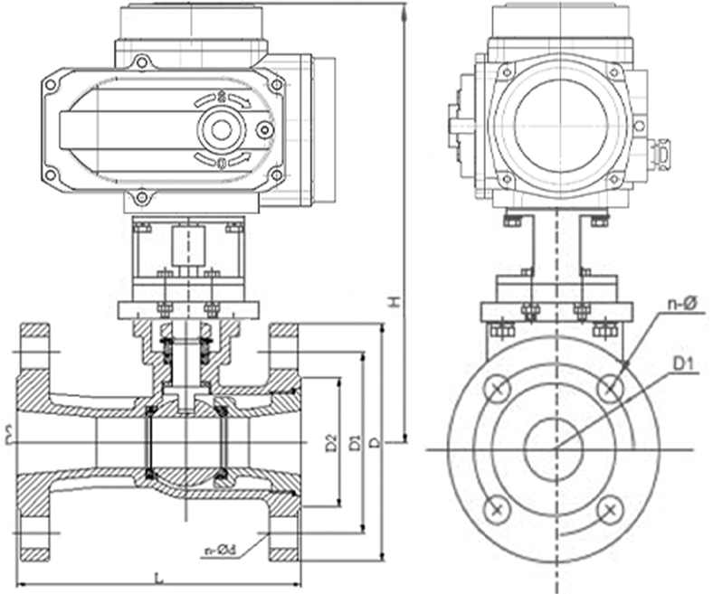
QJ941M-25C電動高溫法蘭球閥結構圖:

QJ941M-25C電動高溫法蘭球閥主要外形連接尺寸:

在線留言